O nás
Platba a doprava
Sledovanie zásielky
Vrátenie tovaru
Zaregistruj sa a staň sa naším VIP zákazníkom
V ponuke máme viac ako 11 tisíc produktov
No products were found.
Odborné poradenstvo
mapakov@mapakov.sk
Účet
Košík
0
Nerezové polotovary
Hliníkové polotovary
Kované polotovary
Zábradlia a madlá
Príslušenstvo pre brány
Pohony
Dielňa, záhrada
Hutnícky materiál
Spojovací materiál
Fotovoltika
Bočné kotvenia
Bránový systém
Doplnky do kúpeľne
Držiaky madla
Držiaky výplne
Dverový systém
Gule
Kolená, spoje
Lankový systém
Plechy a pletené sitá
Polotovary k drevu
Profily
Príruby, kryty
Príslušenstvo
Sklenený systém
Svorky plechu
Svorky skla
Ukončenia
C profily
Dverový systém
Hliníkové lamely
Hliníkové tyče ploché
Hliníkové uzavreté profily
Hliníkové zátky, striešky a pätky
Hliníkové ťahokovy
Hliníkový samonosný systém
L profily
Madlá kruhové hliníkové
Madlá štvorcové hliníkové
Plastové spojky
Plotový systém
Spodné lišty skla
U/UT profily
Držiaky, klopadlá a konzoly
Elementy /céčka, eská, šišky/
Gule, polgule
Hroty, špice, ukončenia
Klapačky
Kotvenie oplotenia
Kované tyče, stĺpy
Kvety, listy, dekorácie
Kľučky, štítky, gule
Madlové profily, ukončenia
Mrežové výplne
Návleky, rozety, krytky
Oblúky
Ornamenty
Plechové striešky
Profily na spony, spony
Drevené kruhové stĺpy
Drevené štvorcové stĺpy
Madlá
Nerezové kruhové stĺpy
Nerezové štvorcové stĺpy
Sklo
Vypaľované stĺpy
Dorazy a konzoly
Elektrozámky
Haspry, petlice a mechanické záklopy
Horné vedenia
Hotové brány
Kazety zámkov
Samonosný systém
Teleskopický systém
Visiacie zámky
Vložky stavebné
Vodiace kladky a kolieska
Vodiace profily
Zámky s kazetou
Zámky, príslušenstvo
Závesný systém
Závesy a pánty
Automatické dvere
Batérie a nabíjačky
Dvojkrídlové
Fotobunky
Garážové, sekčné
GSM Moduly
Hrebene
Jednokrídlové
Nočné osvetlenie
Náhradné diely
Ostatné príslušenstvo
Posuvné
Prijímače
Riadiace jednotky
Trubkové
Vysielače
Výstražné lampy, Semafory, Antény
Závory
Dekorácie, doplnky a sezónny tovar
Domové čísla a písmená
Farby a patiny
Fotovoltaika
Háčiky a vešiaky
Lanká a reťaze
lepiace a výstražné pásky
Náradie
Pergoly
Poštové schránky
Priemyselné kolieska
Rezanie a brúsenie
Schránky na balíky
Stavebná chémia
Technické spreje
Trezory
Upevňovacia technika
Vešiaky a schránky na kľúče
Vonkajšie osvetlenie
Vŕtanie
Zváranie
Záhradné umývadlá, fontány, lavičky
Zátky, striešky, nivelačné nožičky
Dizajnové plechy
Hladké plechy
Montážne C profily
Pletené sitá
Pozinkované doskové a U profily
Pozinkované lamely
Pozinkované obdĺžnikové profily
Pozinkované profily s drážkou
Pozinkované štvorcové profily
Tyče kruhové
Tyče ploché
Tyče prierezu "L"
Tyče prierezu "T"
Tyče prierezu "U"
Tyče štvorcové
Uzavreté obdĺžnikové profily
Uzavreté štvorcové profily
Zdobené profily
Ťahokovy
Chemické kotvenie
Dekoračné nity, klince, skrutky, matice
Hmoždinky
Klince
Kotvenie oplotenia
Kotvy
Matice
Metrické skrutky
Nerezový spojovací materiál
Nity
Podložky
Príslušenstvo k montážnym C profilom
Samorezné skrutky
Tesárske prvky
Zemné vruty a kotviace hroty
Závitové tyče
Úchyty a objímky
Batérie pre fotovoltaiku
Hybridné meniče
On-grid meniče
Solárne panely
0
Úvodná stránka
Hliníkové polotovary
Plotový systém
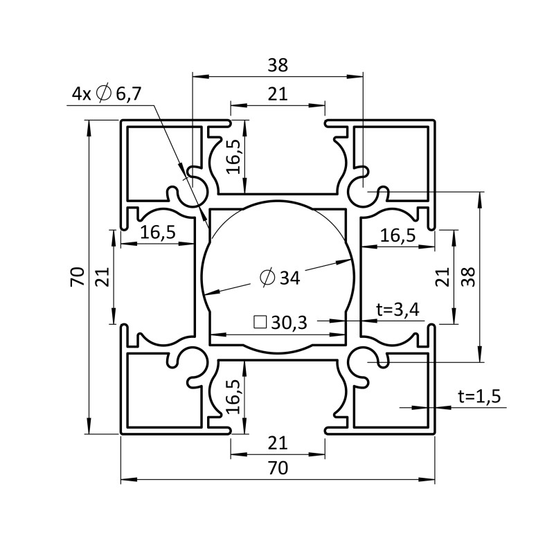
Stĺpový profil 70x70mm,hliník bez povrchovej úpravy
Read more
Show less
Možnosti dopravy
Kat. číslo:
AL-SP70
Kategória:
Plotový systém
Máte otázky?
Vrátenie alebo výmena
Popis a parametre
Read more
Show less
Kusov v balení
0 Ks
Šírka
70
Výška
70
Dĺžka
1000
check_circle
check_circle
Možnosti dopravy
DPD | Home
Expected delivery on 23.10.2025
4,18 €
Packeta | Home
Expected delivery on 23.10.2025
4,43 €
Packeta | Z-Point
Expected delivery on 23.10.2025
2,83 €
Adding another product to the cart may change the delivery options.
Delivery dates depend on the current situation and the capacity of the carriers.
Nerezové polotovary
Ukončenia
Polotovary k drevu
Držiaky madla
Sklenený systém
Lankový systém
Príruby, kryty
Kolená, spoje
Bránový systém
Držiaky výplne
Dverový systém
Svorky skla
Bočné kotvenia
Príslušenstvo
Plechy a pletené sitá
Svorky plechu
Gule
Profily
Doplnky do kúpeľne
Hliníkové polotovary
Hliníkový samonosný systém
Hliníkové uzavreté profily
Hliníkové lamely
Spodné lišty skla
C profily
Madlá kruhové hliníkové
Madlá štvorcové hliníkové
L profily
U/UT profily
Hliníkové ťahokovy
Hliníkové tyče ploché
Hliníkové zátky, striešky a pätky
Plastové spojky
Plotový systém
Dverový systém
Kované polotovary
Kľučky, štítky, gule
Návleky, rozety, krytky
Kované tyče, stĺpy
Kvety, listy, dekorácie
Profily na spony, spony
Ornamenty
Gule, polgule
Elementy /céčka, eská, šišky/
Hroty, špice, ukončenia
Plechové striešky
Mrežové výplne
Držiaky, klopadlá a konzoly
Madlové profily, ukončenia
Oblúky
Klapačky
Kotvenie oplotenia
Zábradlia a madlá
Nerezové kruhové stĺpy
Nerezové štvorcové stĺpy
Madlá
Drevené kruhové stĺpy
Drevené štvorcové stĺpy
Sklo
Vypaľované stĺpy
Príslušenstvo pre brány
Zámky s kazetou
Dorazy a konzoly
Elektrozámky
Haspry, petlice a mechanické záklopy
Závesy a pánty
Vložky stavebné
Samonosný systém
Horné vedenia
Závesný systém
Vodiace kladky a kolieska
Kazety zámkov
Zámky, príslušenstvo
Vodiace profily
Teleskopický systém
Visiacie zámky
Hotové brány
Pohony
Garážové, sekčné
Jednokrídlové
Náhradné diely
Trubkové
Riadiace jednotky
Ostatné príslušenstvo
Vysielače
Posuvné
Batérie a nabíjačky
Dvojkrídlové
Závory
Prijímače
Fotobunky
Nočné osvetlenie
Hrebene
Výstražné lampy, Semafory, Antény
Automatické dvere
GSM Moduly
Dom, dielňa, záhrada
Náradie
Poštové schránky
Farby a patiny
Domové čísla a písmená
Zváranie
Technické spreje
Vŕtanie
Schránky na balíky
Rezanie a brúsenie
Záhradné umývadlá, fontány, lavičky
Zátky, striešky, nivelačné nožičky
Stavebná chémia
lepiace a výstražné pásky
Háčiky a vešiaky
Dekorácie, doplnky a sezónny tovar
Fotovoltaika
Priemyselné kolieska
Vešiaky a schránky na kľúče
Upevňovacia technika
Lanká a reťaze
Pergoly
Vonkajšie osvetlenie
Trezory
Hutnícky materiál
Uzavreté štvorcové profily
Ťahokovy
Dizajnové plechy
Tyče ploché
Uzavreté obdĺžnikové profily
Hladké plechy
Tyče kruhové
Zdobené profily
Tyče prierezu "L"
Pozinkované lamely
Pozinkované obdĺžnikové profily
Tyče štvorcové
Tyče prierezu "T"
Pozinkované doskové a U profily
Tyče prierezu "U"
Pozinkované štvorcové profily
Montážne C profily
Pozinkované profily s drážkou
Pletené sitá
Spojovací materiál
Kotvy
Hmoždinky
Nerezový spojovací materiál
Kotvenie oplotenia
Dekoračné nity, klince, skrutky, matice
Chemické kotvenie
Samorezné skrutky
Metrické skrutky
Nity
Tesárske prvky
Úchyty a objímky
Príslušenstvo k montážnym C profilom
Matice
Podložky
Závitové tyče
Klince
Zemné vruty a kotviace hroty
Novinky
Výpredaj
Značky
Potrebujete radu?
+421 903 399 570
Košík
0
Your shopping cart is empty.
E-mailová adresa
Heslo
Sign in
Forgot your password?
No products were found.