Zaregistruj sa a staň sa naším VIP zákazníkom
V ponuke máme viac ako 11 tisíc produktov
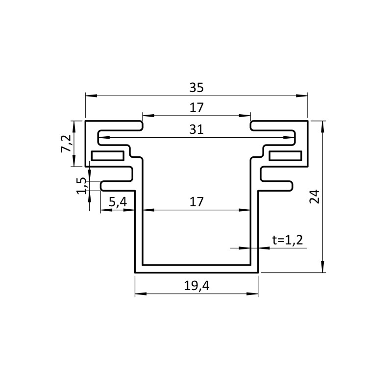
Redukcia pre profily W-16mm, bez povrchovej úpravy, L-2000mm
Kat. číslo:AL-R16-2
Kategória:
Plotový systém
Popis a parametre
Redukčná lišta slúži na uchytenie doskových výplní so šírkou 16 mm do montážnych profilov AL-SP70 a AL-PM3530. Vyhotovenie z čistého hliníka bez povrchovej úpravy zabezpečuje univerzálne využitie a jednoduché začlenenie do rôznych typov konštrukcií. Dĺžka profilu je 2000 mm, čo umožňuje jednoduchú manipuláciu a flexibilitu pri montáži.
Read moreShow less 
Kusov v balení
0 Ks
Materiál
EN AW-6060 T66
Pre profil
16mm
Určené pre
AL-SP70|AL-PM3530
Šírka
35
Výška
23.9
Dĺžka
2000
Povrch
Bez povrchovej úpravy