Zaregistruj sa a staň sa naším VIP zákazníkom
V ponuke máme viac ako 11 tisíc produktov
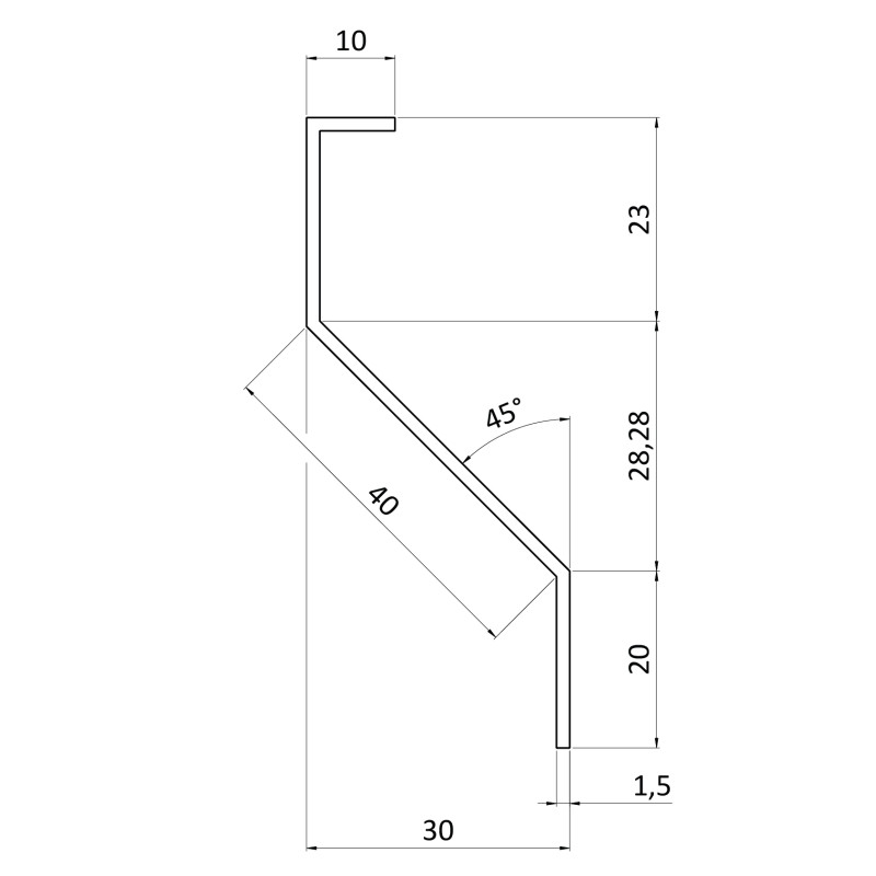
Poškodený Z-profil-lamela L-3000mm, 23x40x20x1,5mm s vystuženou hranou 10mm, zinkovaný plech, cena za kus
Kat. číslo:I KLZE35Zn.3_POSK
Kategória:
Pozinkované lamely
Popis a parametre
Ide o profil II. kvalitatívnej triedy. V praxi to znamená, že na profile sú isté poškodenia, malé preliačeniny, pokrivenia, nerovnosti či nedokonalosti. To ako vyzerajú, uvidíte na fotkách nižšie.
Read moreShow less 
Kusov v balení
1 Ks
Šírka
30
Výška
71.3
Dĺžka
3000