Zaregistruj sa a staň sa naším VIP zákazníkom
V ponuke máme viac ako 11 tisíc produktov
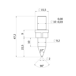
Kovdrill pre termálne vŕtanie na konštrukčnú oceľ M10 x 1,5
Kat. číslo:EVF-M10
Kategória:
Vŕtanie, kovdrill
Popis a parametre
kovdrill vrták pre termálne vŕtanie na konštrukčnú oceľ
Princíp technológie vychádza z platformy na báze tvárnenia za tepla. Rotujúci nástroj (tvárniaci vrták) generuje frikčné teplo, ktoré vzniká trením medzi nástrojom a obrobkom pôsobením axiálnej sily. Následkom vytvoreného tepla (600 - 800 °C) nastáva zmäknutie obrábaného miesta a simultálny prechod nástroja obrobkom, čím vzniká konečný tvar puzdra v materiáli. Nákružok: vzniká ako nevyhnutná časť procesu vzhľadom na tečenie materiálu. V závislosti od použitého druhu nástroja môže byť tvarovaný do „golierika" alebo odrezaný zarovno s polotovarom.
Read moreShow less Princíp technológie vychádza z platformy na báze tvárnenia za tepla. Rotujúci nástroj (tvárniaci vrták) generuje frikčné teplo, ktoré vzniká trením medzi nástrojom a obrobkom pôsobením axiálnej sily. Následkom vytvoreného tepla (600 - 800 °C) nastáva zmäknutie obrábaného miesta a simultálny prechod nástroja obrobkom, čím vzniká konečný tvar puzdra v materiáli. Nákružok: vzniká ako nevyhnutná časť procesu vzhľadom na tečenie materiálu. V závislosti od použitého druhu nástroja môže byť tvarovaný do „golierika" alebo odrezaný zarovno s polotovarom.
Kusov v balení
0 Ks
Šírka
9.2
Výška
9.2
Dĺžka
22.5
Typ
Termálny vrták
Závit
M10
Použitie
Konštrukčná oceľ
Priemer ø
9.2
Špecifikácia
Vŕtanie pri 1300-2000 otáčkach