Zaregistruj sa a staň sa naším VIP zákazníkom
V ponuke máme viac ako 11 tisíc produktov

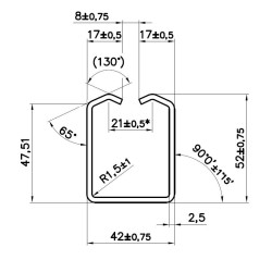
Profil MEDIO 42x52x2.5mm, dĺžka 4m
Popis a parametre
Kolajnica od popredného talianského výrobcu Combi Arialdo. Povrchová úprava- pozink. Použitie pre závesné brány.Kombinácia so závesným kolieskom C750M a C752M.
Read moreShow less 
Kusov v balení
6 Ks
Pre profil
Medio 42x52
Šírka
42
Výška
52
Dĺžka
4000
Povrch
Pozink
Hrúbka steny
2.5
Rozmer
42x52x2.5