Zaregistruj sa a staň sa naším VIP zákazníkom
V ponuke máme viac ako 11 tisíc produktov
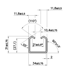
Popis a parametre
Kolajnica od popredného talianského výrobcu Combi Arialdo. Povrchová úprava- pozink. Použitie pre závesné brány.Kombinácia so závesným kolieskom C750P, C752P a C778.
Read moreShow less 
Kusov v balení
6 Ks
Pre profil
Piccolo 34x31
Šírka
34
Výška
31
Dĺžka
4000
Povrch
pozink
Hrúbka steny
2