Zaregistruj sa a staň sa naším VIP zákazníkom
V ponuke máme viac ako 11 tisíc produktov
Novinka
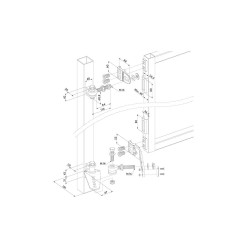
Set naváracích mimoosových závesov M16, 180° do svahu, 3D
Kat. číslo:EXCENTRO-M16
Kategória:
Nastaviteľné závesy
Popis a parametre
LOCINOX® EXCENTRO-M16 je riešením pre prístupové cesty a chodníky do svahu. Možnosť nastaviť pre uhol stúpania v rozsahu od 2 % do 35 %. Záves umožňuje reguláciu 53 mm na šírku (X),19 mm na výšku (Y) a 25 mm na hĺbku (Z).
Z dôvodu bezpečnosti zatvárania, dôrazne odporúčame použitie závesu spoločne s hydraulickým zatváračom brány RHINO, čím zabezpečíte kontrolované zatváranie.

180° otvárateľný
Závit: M16
Univerzálny pre pravé / ľavé krídlo
Nastaviteľné pre sklon od 2 do 35 % (v závislosti od vzdialenosti medzi závesami)
Nastaviteľný 53 mm na šírku (X),19 mm na výšku (Y) a 25 mm na hĺbku (Z)
Žiarovo pozinkovaný s nerezovými komponentmi (navárateľné časti bez povrchovej úpravy)
Nosnosť: 150 kg / set
Obsah balenia:
1 SET - LOCINOX® EXCENTRO-M16 (1 KS horný záves a 1 KS spodný záves)
Read moreShow less Z dôvodu bezpečnosti zatvárania, dôrazne odporúčame použitie závesu spoločne s hydraulickým zatváračom brány RHINO, čím zabezpečíte kontrolované zatváranie.

180° otvárateľný
Závit: M16
Univerzálny pre pravé / ľavé krídlo
Nastaviteľné pre sklon od 2 do 35 % (v závislosti od vzdialenosti medzi závesami)
Nastaviteľný 53 mm na šírku (X),19 mm na výšku (Y) a 25 mm na hĺbku (Z)
Žiarovo pozinkovaný s nerezovými komponentmi (navárateľné časti bez povrchovej úpravy)
Nosnosť: 150 kg / set
Obsah balenia:
1 SET - LOCINOX® EXCENTRO-M16 (1 KS horný záves a 1 KS spodný záves)
Kusov v balení
0 Ks